Microsystems Prototyping Laboratory
here.
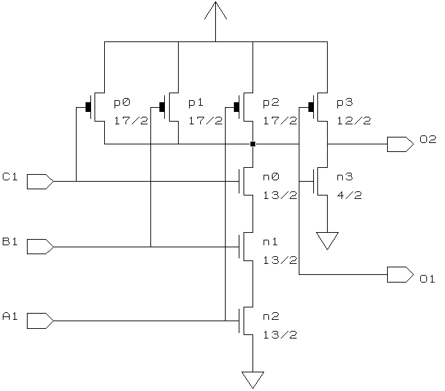
O2 = A1 * B1 * C1
----------------------------------- A B C O1 O2 ----------------------------------- 0 x x 1 0 x 0 x 1 0 x x 0 1 0 1 1 1 0 1 -----------------------------------
-------------------------------------------- Name X_loc Y_loc Capacitance (fF) lambda lambda 2U 1.2U 0.8U -------------------------------------------- A1 6 26 74.8 35.4 23.4 B1 19 30 70.4 33.5 22.2 C1 33 26 67.2 31.8 20.7 O1 44 17 - - - O2 52 15 - - - --------------------------------------------