Microsystems Prototyping Laboratory
here.
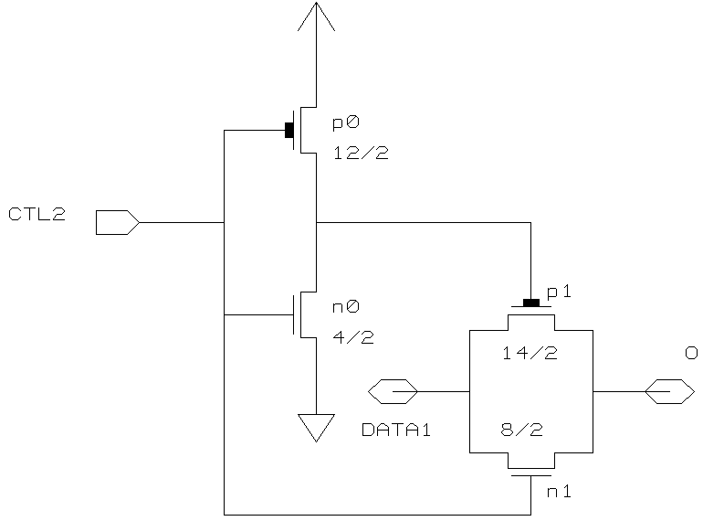
Hi-Z when CTL2 = 0
---------------------- CTL DATA O ---------------------- 1 0 0 1 1 1 0 0 Z 0 1 Z ----------------------
-------------------------------------------- Name X_loc Y_loc Capacitance (fF) lambda lambda 2U 1.2U 0.8U -------------------------------------------- CTL2 5 17 69.2 31.7 19.9 DATA1 25 40 128 101 83.1 O 33 19 - - - --------------------------------------------