Step 3: Draw Lines with the Selection and Smart Drawing Tool

To make connections between symbols and blocks using the Selection and Smart Drawing Tool, follow these steps:

  1. Click the Selection and Smart Drawing Tool button on the toolbar.

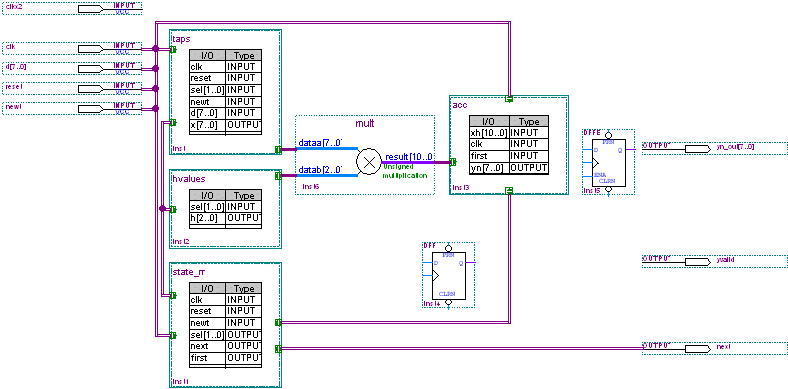
  2. Draw a line from the conduit that connects the taps block to the hvalues block to the border of the state_m block. The Selection and Smart Drawing Tool automatically chooses the conduit line style.

  3. Repeat steps 1 through 2 to make the additional conduit connections between the symbols and blocks shown in the following table:

  4. Draw Conduit From: To:
    Conduit connecting taps block to hvalues block state_m block (already entered)
    state_m block acc block
    state_m block OUTPUT pin next

  5. Repeat steps 1 through 2 to make the bus connections between the symbols and blocks shown in the following table. The Selection and Smart Drawing Tool automatically chooses the bus line style.

  6. Draw Bus From: To:
    taps block dataa[7..0] input of mult symbol
    hvalues block datab[2..0] input of mult symbol
    result[10..0] output of mult symbol acc block

    Show Me

    Block Connections (cont.)


To continue the tutorial, proceed to Step 4: Draw Bus Lines.