|
Author: Áø ¼±¿Á ±âÀÚ (Editor-in-Chief / Nikkei Electronics Asia-Korea)
Source: Nikkei Electronics Asia, April 2000 / Vol.2 No.4
Date: 2000.5.16
System on a Programmable Chip ´ë¿ë·® FPGA, ½Ã½ºÅÛ ¼³°è ´ëü
Áö³ 86³â ±¹³»½ÃÀå¿¡ óÀ½À¸·Î ¼Ò°³µÇ¾ú´ø PLD´Â À̵¿Åë½Å ½ÃÀåÀÌ º»°ÝȵDZ⠽ÃÀÛÇÑ 93³â ÀÌÈÄ ¿¬Æò±Õ 30% ÀÌ»óÀÇ ±Þ¼ÓÇÑ ¼ºÀå¼¼¸¦ ±â·ÏÇϸç, ¹ÝµµÃ¼ ½ÃÀåÀÇ Áß½ÉÃàÀ¸·Î ¶°¿Ã¶ú´Ù. ÃÖ±Ù¿¡´Â °¡°Ý, ¼º´É, ¿ë·® µî ´Ù¾çÇÑ PLD Á¦Ç°±ºµéÀÌ ´ë°Å ½ÃÀå¿¡ ¼Ò°³µÇ¸é¼ ¾îÇø®ÄÉÀÌ¼Ç ºÐ¾ßµµ Å« ÆøÀ¸·Î È®´ëµÇ°í ÀÖ´Ù. ƯÈ÷ PLD ´ÜÀÏ Ä¨À¸·Î ½Ã½ºÅÛ ·¹º§ÀÇ ¼³°è°¡ °¡´ÉÇÑ ¹é¸¸ °ÔÀÌÆ® ±ÞÀÇ ´ë¿ë·® FPGA°¡ ¼Ó¼Ó Ãâ½ÃµÇ°í Àִµ¥´Ù ¿ÃÇØ¾È¿¡´Â 4¹é¸¸ °ÔÀÌÆ®¿¡ ´ÞÇÏ´Â FPGAµµ °ø±ÞµÉ °ÍÀ¸·Î º¸¿© ´ë¿ë·® FPGA ½ÃÀåÀÌ º»°Ý鵃 Àü¸ÁÀÌ´Ù.
FPGA¿Í ASICÀÇ °æ°è¼±ÀÌ ¹«³ÊÁö±â ½ÃÀÛÇß´Ù. PLD ´ÜÀÏ Ä¨À¸·Î ½Ã½ºÅÛ ·¹º§ÀÇ ¼³°è°¡ °¡´ÉÇÑ ¹é¸¸ °ÔÀÌÆ® ±ÞÀÇ ´ë¿ë·® FPGA°¡ ¼Ó¼Ó Ãâ½ÃµÇ°í Àִµ¥´Ù ¿ÃÇØ¾È¿¡´Â 4¹é¸¸ °ÔÀÌÆ®¿¡ ´ÞÇÏ´Â FPGAµµ °ø±ÞµÉ °ÍÀ¸·Î º¸¿© ´ë¿ë·® FPGA½ÃÀåÀÌ º»°Ý鵃 Àü¸ÁÀÌ´Ù.
¼¼°è ÃÖ´ëÀÇ PLD °ø±Þ¾÷üÀÎ ÀÚÀϸµ½º¿Í ¾ËÅ×¶ó´Â Áö³ÇØ ¹é¸¸ °ÔÀÌÆ® ·¹º§ÀÇ FPGAÀÎ Virtex¿Í APEX¸¦ °¢°¢ ¼±º¸À̰í ÀÌ ½ÃÀåÀ» µÑ·¯½Ñ °æÀï°¡µµ¿¡ µ¹ÀÔÇß´Ù. SRAM ±â¹ÝÀÇ FPGA ½ÃÀå¿¡¼ ÀÌ¹Ì XC4000 ½Ã¸®Áî¿Í Flex10K Á¦Ç°±ºÀ¸·Î 1Â÷ÀüÀ» Ä¡·é¹Ù ÀÖ´Â ÀÌ µÎ ¾÷ü´Â À̹ø Virtex¿Í APEX Á¦Ç°Ãâ½Ã·Î ´Ù½Ã±Ý ¾çº¸ÇÒ ¼ö ¾ø´Â Á¦ 2 ¶ó¿îµå °æÀï¿¡ ³ª¼¹´Ù.
System on a Programmable ½ÃÀåÀ» °Ü³ÉÇϰí ÀÖ´Â APEX¿Í Virtex´Â ÇöÀç ¸¶ÄÏ¿¡ °ø±ÞµÇ°í ÀÖ´Â FPGAÁß ÃÖ´ë ¿ë·®ÀÇ Á¦Ç°µé·Î ±¹³»¿¡¼µµ ÀÌ¹Ì IMT-2000 ½Ã½ºÅÛ ¹× ´Ü¸»±â¸¦ ºñ·ÔÇØ ¿ø Ĩ ¼Ö·ç¼ÇÀ» ±¸ÇöÇÏ·Á´Â ¿©·¯ °³¹ß ºÐ¾ß¿¡¼ Á¡Â÷ ¼ö¿ä°¡ È®´ëµÇ°í ÀÖ´Ù.
ÇѰ踦 ÆÄ±«ÇÏ´Â PLD PAL¿¡¼ FPGA±îÁö
PLD´Â Áö³ 1970³â´ë Áß¹Ý MMI¶ó´Â ȸ»ç°¡ óÀ½ °³¹ßÇÑ PALÁ¦Ç°ÀÌ ±× ½ÃÃʶó ÇÒ ¼ö ÀÖ´Ù. ¹ÙÀÌÆú¶ó Å×Å©³î·ÎÁö¸¦ ÀÌ¿ëÇÑ PALÀº OTP (One Time Programmable) ŸÀÔÀ̱â´Â ÇÏÁö¸¸ ¹ÝµµÃ¼ ¿ª»ç»ó ÃÖÃÊ·Î ÇÁ·Î±×·¥ °¡´ÉÇÑ ¾ÆÅ°ÅØÃ³¸¦ ±¸ÇöÇß´Ù´Â Á¡¿¡¼ Áö±ÝÀÇ PLD Á¦Ç°ÀÇ ¸ðü¶ó º¼ ¼ö ÀÖ´Ù.
ÀÌÈÄ 1983³â¿¡ ¾ËÅ×¶ó°¡ EPROMÀ» ±â¹ÝÀ¸·Î ÇÑ EPLD (Erasable Programmable Logic Device) ¸¦ °³¹ßÇÔÀ¸·Î½á Àڿܼ±°ú Àü±âÀû ½ÅÈ£¸¦ ÀÌ¿ëÇØ ¾²°í, Áö¿ì±â°¡ °¡´ÉÇÑ ÇÁ·Î±×·¡¸Óºí µð¹ÙÀ̽ºÀÎ ClassicÀ̶ó´Â Á¦Ç°À» ¼±º¸¿´´Âµ¥ À̸¦ ÅëÇØ Áö±ÝÀÇ CPLD (Complex Programmable Logic Device) ½ÃÀåÀÌ º»°ÝÈ µÇ¾ú´Ù. ´ç½Ã ¹ÝµµÃ¼ Ĩ À§¿¡ À¯¸®Ã¢ÀÌ ´Þ·ÁÀÖ´ø Á¦Ç°µéÀÌ ¹Ù·Î EPROMÀ» »ç¿ëÇØ ÇÁ·Î±×·¡¹ÖÀ» Çß´ø PLD µð¹ÙÀ̽ºµéÀÌ´Ù.
AMD·Î ÀμöµÇ¾ú´ø MMIÀÇ ±âÁ¸ ¸â¹öµéÀÌ º¥Ã³·Î ⸳ÇÑ ·¡Æ¼½ºµµ CPLD½ÃÀåÀÇ ¼±µµÁÖÀÚ Áß Çϳª´Ù. CMOS Å×Å©³î·ÎÁö¸¦ ÀÌ¿ëÇÑ EEPROM ±â¹ÝÀÇ SPLD (Simple PLD) ÀÎ GALÀ» óÀ½ °³¹ßÇß°í ÇöÀç High Density CPLD ½ÃÀå¿¡¼ ºü¸£°Ô ¼ºÀåÇϰí ÀÖ´Ù.
°ÔÀÌÆ® ¾î·¹ÀÌ ¾ÆÅ°ÅØÃ³¿¡¼ Ãâ¹ßÇÑ FPGA (Field Programmable Gate Array) ´Â 1985³â, ÀÚÀϸµ½º°¡ XC2064¶ó´Â Á¦Ç°À» ÅëÇØ óÀ½À¸·Î ¼±º¸ÀÎ °³³äÀÌ´Ù.
EEPROM ±â¹ÝÀÇ CPLD¿Í´Â ´Þ¸® SRAM ¾ÆÅ°ÅØÃ³¸¦ äÅÃÇϰí ÀÖ´Â FPGA´Â CPLD¿¡ ºñÇØ ¼Óµµ¿Í ¼º´É¸é¿¡¼´Â ÀúÁ¶ÇßÁö¸¸ ´ë¿ë·®À» ±¸ÇöÇϴµ¥ ÀÖ¾î À¯¸®ÇÏ´Ù´Â ÀåÁ¡ ¶§¹®¿¡ ASIC ÇÁ·ÎÅäŸÀÔÀ¸·Î °¢±¤À» ¹Þ¾Ò´Ù. ÃÖ±Ù¿¡´Â FPGA ±â¼úÀÌ ¹ßÀüÇÏ¸é¼ ¼º´É¸é¿¡¼µµ CPLD¿¡ ±ÙÁ¢Çϰí Àִµ¥´Ù °¡°Ý¸é¿¡¼µµ Å©°Ô Çâ»óµÅ ¸¶ÄÏ¿µ¿ªÀÌ ²ÙÁØÈ÷ È®´ëµÇ°í ÀÖ´Ù.
ÇöÀç FPGA´Â ÀÌ·¯ÇÑ ÀüÅëÀûÀÎ SRAM ±â¹Ý Á¦Ç°µé À̿ܿ¡µµ ¾ØÆ¼Ç»Áî (Antifuse) ¹æ½ÄÀÇ FPGA¸¦ ºñ·ÔÇØ Ç÷¡½Ã ŸÀÔ Á¦Ç°µéµµ °ø±ÞµÇ°í ÀÖ´Ù.
¾×ÅÚ°ú Äü·ÎÁ÷ÀÌ °ø±ÞÇϰí ÀÖ´Â ¾ØÆ¼Ç»Áî ¹æ½ÄÀÇ FPGA´Â OTP ŸÀÔÀ¸·Î ÇÁ·Î±×·¡¹ÖÀ» Çѹø¹Û¿¡ ÇÒ ¼ö ¾ø°í ÇÁ·Î¼¼½º °øÁ¤»ó ´ë¿ë·® ±¸ÇöÀÌ ¾î·Æ´Ù´Â ´ÜÁ¡À» °¡Áö°í ÀÖÀ¸³ª ¶ó¿ìÆÃ ¸®¼Ò½º°¡ dzºÎÇÏ°í ½ºÇǵå¸é¿¡¼ ¸Å¿ì Ź¿ùÇÑ ¼º´ÉÀ» Á¦°øÇÑ´Ù. ¶ÇÇÑ º¸¾È¼ºÀÌ Å¹¿ùÇØ ±º»ç¿ë ¾îÇø®ÄÉÀÌ¼Ç ºÐ¾ß³ª °ÔÀÓ±â, °¡¶ó¿ÀÄÉ °°Àº ´ÏÄ¡ ¸¶ÄÏ¿¡¼ ÁÁÀº ¹ÝÀÀÀ» ¾ò°í ÀÖ´Ù.
Ç÷¡½ÃŸÀÔ FPGA´Â Ãʱ⠽ÃÀåÁøÀÔ ´Ü°è·Î ¾ÆÁ÷ »ç¿ëÀÚ°¡ ¸¹Áö´Â ¾ÊÁö¸¸ SRAM ŸÀÔ FPGA¿Í´Â ´Þ¸® º°µµÀÇ PROMÀ» ¾²Áö ¾Ê°íµµ ¶ó¿ìÆÃÀÌ °¡´ÉÇØ ¿ø Ĩ ¼Ö·ç¼ÇÀ» ±¸ÇöÇÒ ¼ö ÀÖ°í ½ºÀ§Ä¡ »çÀÌÁî°¡ 12ºÐÀÇ 1 ¼öÁØ¿¡ ºÒ°úÇØ ´ÙÀÌ »çÀÌÁ ÁÙÀ̰í Àü·Â¼Ò¸ð¸¦ Àý°¨ÇÒ ¼ö ÀÖ´Ù´Â ÀåÁ¡À» °¡Áö°í ÀÖ´Ù. Ç÷¡½Ã ŸÀÔ FPGA´Â GateField°¡ óÀ½ °³¹ßÇÑ Á¦Ç°À¸·Î ÇöÀç ¾×ÅÚÀÌ °ø±ÞÇϰí ÀÖ´Ù. (Ç¥ 1 ÂüÁ¶)
|
Vendor
|
FPGA
|
CPLD
|
SPLD
|
|
Altera
|
SRAM APEX 20K/E ACEX 1K ACEX 2K FLEX 10K/A/B/S/V FLEX 8000/A FLEX 6000/A
|
EEPROM MAX9000/A MAX7000/S/A/E/AE/B MAX3000A
EPROM MAX 5000
FLASH FLASHlogic
|
EPROM Classic
|
|
Xilinx
|
SRAM Virtex/E/EM Spartan/XL Spartan-II XC4000E/EX/XL/XV XC5200 XC3x00/A XC6200 XC2000
|
FLASH XC9500/XL/XV
EPROM XC7000
|
-
|
|
Vantis (Lattice)
|
SRAM VF1
|
EEPROM MACH 5 / 5A MACH 4 / 4A MACH 1 & 2
|
EEPROM PAL
|
|
Lattice
|
-
|
EEPROM pLSI 8000 (SuperBIG) pLSI 5000 (SuperWIDE) pLSI 6000 pLSI 3000 pLSI 2000 pLSI 1000/E
|
EEPROM GAL
|
|
Actel
|
Anti-fuse SX Series MX Series 3200DX 1200XL ACT 3 ACT 3 PCI ACT 2 ACT 1
|
-
|
-
|
|
Lucent
|
SRAM ORCA 3+ ORCA 3 ORCA 2C ORCA 2T ATT 3000
|
-
|
-
|
|
Cypress
|
-
|
EEPROM Ultra 37000
FLASH Delta39K Flash 370 / 370i
|
EEPROM PAL PLD
|
|
Atmel
|
SRAM AT40K AT6000
|
FLASH ATF
EPROM ATV
|
FLASH ATF
|
|
QuickLogic
|
Anti-fuse QuickRAM pASIC 3 pASIC 2 pASIC 1
|
-
|
-
|
|
TI
|
-
|
-
|
Fuse PAL
|
|
Philips (Xilinx)
|
-
|
SRAM CoolRunner 960
EEPROM PZ3000 PZ5000
|
-
|
|
ICT
|
-
|
-
|
EEPROM PEEL
|
|
WSI
|
-
|
EEPROM PSD (MPU Peripheral + CPLD)
|
-
|
|
Gatefield
|
EEPROM GF260F GF250F
|
-
|
-
|
|
DynaChip
|
SRAM (CMOS) DL6000
SRAM (ECL I/O) DL5000
|
-
|
-
|
<Ç¥ 1> PLD °ø±Þ¾÷üº° Á¦Ç°ÇöȲ
ASIC ¼ºÀå·ü ¼±È¸ PLD, ¿Ã 34¾ï ´Þ·¯ ¿¹»ó
1980³â´ë ÃÊ¹Ý º¥Ã³±â¾÷À¸·Î Ãâ¹ßÇß´ø PLD ¾÷üµéÀº ÀÌÁ¦ ¹ÝµµÃ¼ ½ÃÀåÀÇ Áß½ÉÃàÀ¸·Î ±Þ¼ºÀåÇß´Ù. Áö³ÇØ ¼¼°è PLD ½ÃÀå±Ô¸ð´Â 26¾ï ´Þ·¯¿¡ ´ÞÇß°í ¿ÃÇØ¿¡´Â 34¾ï ´Þ·¯ ±Ô¸ð¿¡ À̸¦ Àü¸ÁÀÌ´Ù. ÃÖ±Ù ¹Ì±¹ÀÇ ÇÑ ½ÃÀåÁ¶»ç±â°üÀÇ ÀÚ·á¿¡ µû¸£¸é PLD ½ÃÀåÀÇ ¼ºÀå·üÀÌ ASIC ½ÃÀåÀÇ ¼ºÀå·üÀ» »óȸÇÏ¸é¼ ÇâÈÄ ¸î ³â¾È¿¡ ¸¶ÄÏ»óȲÀÌ ¿ªÀüµÉ °ÍÀ¸·Î ¿¹»óµÇ°í ÀÖ´Ù.
Á¦Ç°ÀÇ ±â¼ú°³¹ß ÃßÀÌ¿¡ À־µ ¾î´À ¿µ¿ªº¸´Ù ºü¸¥ º¯È¿Í ¼ºÀåÀ» °¡Á®¿Ô´Ù. °ÔÀÌÆ® »çÀÌÁîÀÇ °æ¿ì 3³âÀü¸¸ ÇØµµ FPGAÀÇ ÃÖ´ë ¿ë·®Àº 5¸¸ °ÔÀÌÆ® Á¤µµ¿¡ ºÒ°úÇß´Ù. ±×·¯³ª Áö³ÇØ¿¡ ÀÌ¹Ì 2¹é¸¸ °ÔÀÌÆ® FPGA°¡ »ó¿ëȵǾú°í ¿ÃÇØ¾È¿¡´Â ÃÖ´ë 3¹é 20¸¸ °ÔÀÌÆ® ·¹º§ÀÇ Á¦Ç°µµ ¼±º¸ÀÏ ¿¹Á¤ÀÌ´Ù...
°¡°Ý¸é¿¡¼µµ ±Þ°ÝÇÑ Ç϶ô¼¼°¡ Áö¼ÓµÇ¸é¼ 3³âÀü°ú ºñ±³ÇßÀ» ¶§ °ÅÀÇ 10¹è¿¡ °¡±î¿î Ç϶ô·üÀ» º¸À̰í ÀÖ´Ù. ÃÖ±Ù¿¡´Â 10¸¸ °ÔÀÌÆ®´ç °¡°ÝÀÌ 10´Þ·¯¼±±îÁö ¶³¾îÁ® ÀÖ´Ù.
ÀÌÁ¦ PLD ½ÃÀåÀº °¡Àå ±Þ¼ºÀå ÇÏ´Â ¹ÝµµÃ¼ ÁßÀÇ Çϳª·Î ¼Õ²ÅÈ÷°í ÀÖÀ¸¸ç, ´ÜÁö °³¹ß ÃʱâÀÇ ÇÁ·ÎÅäŸÀÔÀ¸·Î ÀνĵǾú´ø Ãʱ⠻óȲ°ú´Â ¿ÏÀüÈ÷ ´Þ¶óÁ³´Ù. PLD ½ÃÀåÀº ÀÌÁ¦ ±× ÇѰ輱À» ÆÄ±«ÇØ ´Þ¸®°í ÀÖ´Ù.
¼¼°è PLD ½ÃÀåÀÇ ¼±µÎ¸¦ ´Þ¸®°í ÀÖ´Â ¾ËÅ×¶ó¿Í ÀÚÀϸµ½º´Â FPGA¿Í CPLD Á¦Ç°¶óÀÎÀ» ¸ðµÎ °ø±ÞÇϰí ÀÖ´Ù. ¾ËÅ×¶ó´Â SRAM ±â¹ÝÀÇ FPGA¸¦ ºñ·ÔÇØ EEPROM ŸÀÔÀÇ CPLD¸¦ °ø±ÞÇϰí ÀÖÀ¸¸ç, ÀÚÀϸµ½º´Â SRAM ŸÀÔ FPGA¿Í Ç÷¡½Ã ±â¹ÝÀÇ CPLD Á¦Ç°À» °¡Áö°í ÀÖ´Ù. ÀÚÀϸµ½º´Â ÃÖ±Ù Çʸ³½ºÀÇ CPLD ¶óÀÎÀÎ Äð·¯³Ê Á¦Ç°±ºÀ» ÀμöÇϱ⵵ Çß´Ù.
High Density CPLD ºÐ¾ß¿¡¼ ¼¼°è 2À§¸¦ ±â·ÏÇϰí ÀÖ´Â ·¡Æ¼½º´Â EEPROM ±â¹ÝÀÇ CPLD¸¦ ºñ·ÔÇØ ÃÖ±Ù¿¡´Â ¾Æ³¯·Î±× ±â´ÉÀ» ÇÁ·Î±×·¡¹Ö ÇÒ ¼ö ÀÖ´Â isPACÀ» ¹ßÇ¥Çϱ⵵ Çß´Ù. ·¡Æ¼½º´Â Áö³ÇØ CPLD ½ÃÀåÀÇ 3À§¸¦ Â÷ÁöÇß´ø ¹êƼ½º¸¦ Àμö, ÇÕº´Çß´Ù.
À̿ܿ¡µµ ¾ØÆ¼Ç»Áî ¹æ½ÄÀÇ FPGA¸¦ °ø±ÞÇϰí ÀÖ´Â ¾×ÅÚ°ú Äü·ÎÁ÷, ±×¸®°í ¾ËÅ×¶ó 5000 ½Ã¸®Á ÀμöÇϰí ÃÖ±Ù EEPROM ¹æ½ÄÀÇ CPLD¸¦ °³¹ß, PLD ½ÃÀå¿¡ »õ·Ó°Ô ÁøÃâÇϰí ÀÖ´Â ½ÎÀÌÇÁ·¹½º¸¦ ºñ·ÔÇØ ·ç½¼Æ®, TI, ICT, WSI, DynaChipµî 13°³ ¾÷üµéÀÌ ÀÌ ½ÃÀå¿¡¼ Ȱ¹ßÈ÷ ¶Ù°í ÀÖ´Ù.
¼ö¹é¸¸ °ÔÀÌÆ®ÀÇ ·ÎÁ÷À» CLB¿Í MegaLABÀ¸·Î ¿Ï¼º
PLD ½ÃÀåÀÇ ¶Ç ÇϳªÀÇ Äè°Å¶ó º¼ ¼ö ÀÖ´Â ¼ö¹é¸¸ °ÔÀÌÆ® ·¹º§ÀÇ FPGAÀÇ ÃâÇöÀº °³¹ß Åø°ú µðÀÚÀÎ ¹æ¹ý¿¡ ´ëÇÑ »õ·Î¿î ½Ã´ë¸¦ ¿¹°íÇϰí ÀÖ´Ù. ½Ã½ºÅÛ ¿Â ĨÀ» ÇÁ·Î±×·¡¸Óºí µð¹ÙÀ̽º ¾È¿¡ ±¸ÇöÇÔÀ¸·Î½á Ĩ Çϳª¿¡ ½Ã½ºÅÛ ´ÜÀ§ÀÇ ¸ðµç ±â´ÉÀ» ÁýÀû½ÃŰ´Â ÀÏÀÌ °¡´ÉÇØÁ³°í ASIC°ú´Â ´Þ¸® ¼³°è»óÀÇ À¯¿¬¼º°ú Time-to-Market ´ëÀÀ¿¡ À¯¸®ÇØ ½Ã½ºÅÛ ¿Â Ĩ ¼³°èȯ°æÀ» ºü¸£°Ô Á¤Âø½Ã۴µ¥ ±â¿©ÇÒ °ÍÀ¸·Î º¸ÀδÙ.
ÀÚÀϸµ½ºÀÇ ¹öÅØ½º¿Í ¾ËÅ×¶óÀÇ APEX·Î ´ëº°µÇ´Â ÀÌ ´ë¿ë·® FPGA´Â ±âÁ¸ ¾ÆÅ°ÅØÃ³¸¦ ±× ±â¹ÝÀ¸·Î Çϰí ÀÖÁö¸¸ 30¿©°³¿¡ ´ÞÇÏ´Â I/O Ç¥ÁØÀ» Áö¿øÇÏ°í »õ·Î¿î ÇüÅÂÀÇ ÀÓº£µðµå ºí·Ï°ú ´ë¿ë·® °ÔÀÌÆ® »çÀÌÁî ¹× ¸Þ¸ð¸®¸¦ ºñ·ÔÇØ ½Ã½ºÅÛ ·¹º§¿¡¼ ¿ä±¸µÇ´Â ´Ù¾çÇÑ ±â´É µîÀ» ¿ø Ĩ¿¡ ±¸ÇöÇÔÀ¸·Î½á PLD ±â¼úÀÇ »õ·Î¿î ½Ã´ë¸¦ ¿°í ÀÖ´Ù.
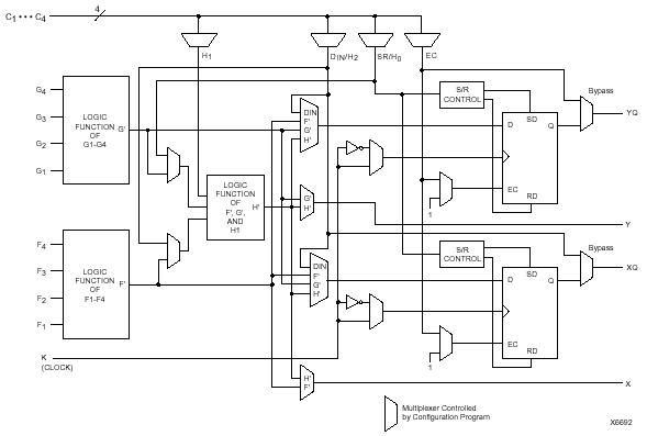
APEX¿Í ¹öÅØ½º´Â ¸ðµÎ SRAM ¹æ½ÄÀÇ FPGA·Î µ¿ÀÏÇÑ °øÁ¤±â¼úÀ» ±â¹ÝÀ¸·Î Çϰí ÀÖÁö¸¸ ±âº» ¾ÆÅ°ÅØÃ³¿¡ À־ ¼·Î ´Ù¸¥ ±¸Á¶¸¦ äÅÃÇϰí ÀÖ´Ù. ¿ì¼± ÀüüÀûÀÎ ±¸Á¶¿¡ ÀÖ¾î¼ ¾ËÅ×¶óÀÇ APEX´Â 2KbitÀÇ ¸Þ¸ð¸®¿Í CPLD ºí·ÏÀ¸·Î ÀÌ·ç¾îÁø ESB (Embedded System Block) ¿Í MegaLAB, ±×¸®°í I/O ºí·ÏÀ¸·Î ±¸¼ºµÇ¾î ÀÖ°í ÀÚÀϸµ½ºÀÇ ¹öÅØ½º´Â CLB (Configurable Logic Block) ¿Í BlockRAM, ±×¸®°í I/O ºí·ÏÀ¸·Î ÀÌ·ç¾îÁ® ÀÖ´Ù.
APEX¿¡ ±¸ÇöµÈ MegaLABÀº LAB (Logic Array Block) 16°³¿Í 2KbitÀÇ RAMÀ» ºí·ÏÈÇÑ °ÍÀ¸·Î °¢°¢ÀÇ LAB´Â LE (Logic Element) °¡ 160 °³¿¡ ´ÞÇÑ´Ù. ¾ËÅ×¶ó°¡ LE¶ó°í ºÎ¸£´Â ·ÎÁ÷´ÜÀ§´Â FPGAÀÇ ±âº» ±¸Á¶ÀÎ 4-ÀÎDz LUT (Look up Table) ¿Í Çø³ ÇÃ·Ó (Flip-Flop) À» °áÇÕÇÑ °ÍÀÌ´Ù. (±×¸² 1 ÂüÁ¶) ¾ËÅ×¶ó´Â Flex10K ½Ã¸®Á ºñ·ÔÇØ ÀÚ»çÀÇ FPGA¸¦ ±¸ÇöÇϴµ¥ ÀÖ¾î ÀÌ·¯ÇÑ LE¸¦ ºí·ÏÈÇÑ LAB ±¸Á¶¸¦ äÅÃÇϰí ÀÖ´Ù.

<±×¸² 1> APEX 20K Logic Element
¾ËÅ×¶óÀÇ 8K, 10K Á¦Ç°±º¿¡¼´Â LE 8°³¸¦ ºí·ÏÈÇÑ LAB°¡ »ç¿ëµÇ¾ú°í, 6K¿Í APEX Á¦Ç°±º¿¡¼´Â 10°³ÀÇ LE¸¦ ÇϳªÀÇ LAB·Î ±¸ÇöÇÑ ·ÎÁ÷ ºí·ÏÀÌ »ç¿ëµÇ¾ú´Ù. (±×¸² 2 ÂüÁ¶) APEX¿¡¼´Â ÀÌ·¯ÇÑ ±âº» ±¸Á¶¸¦ ¹ÙÅÁÀ¸·Î LAB 16°³¸¦ ºí·ÏÈÇÑ MegaLAB ±¸Á¶¸¦ ÅëÇØ ´ë¿ë·®À» ±¸ÇöÇϰí ÀÖ´Ù. (±×¸² 3 ÂüÁ¶) ÇöÀç APEX´Â ÃÖ´ë 24,320 (´ë·« 1¹é 50¸¸ °ÔÀÌÆ®) °³ÀÇ LE¸¦ °¡Áö°í ÀÖ´Â 600E µð¹ÙÀ̽º¸¦ °ø±ÞÇϰí ÀÖ´Ù.

<±×¸² 2> LAB ±¸Á¶

<±×¸² 3> ¾ËÅ×¶ó ¾ÆÅ°ÅØÃ³ÀÇ Áøº¸
¾ËÅ×¶óÀÇ ÀÌ·¯ÇÑ LAB ±¸Á¶´Â ·ÎÁ÷À» ÀÏÁ¤ ¿ë·® ¸¸Å¾¿ ºí·ÏÈÇÔÀ¸·Î½á ÇϳªÀÇ LAB°¡ ó¸®ÇÒ ¼ö ÀÖ´Â ÀÔ·ÂÀÌ ¸¹¾ÆÁö°í ³»ºÎ µô·¹ÀÌ Å¸ÀÓÀº ÃÖ¼ÒȵDZ⠶§¹®¿¡ ½ºÇǵå¸é¿¡¼ ºü¸¥ ¼º´ÉÀ» ±¸ÇöÇÒ ¼ö ÀÖ´Ù´Â ÀåÁ¡ÀÌ ÀÖ´Ù. LAB¿Í LAB°£ÀÇ ¶ó¿ìÆÃÀº FastTrackÀ̶ó´Â ä³ÎÀ» ÀÌ¿ëÇÑ´Ù.
ÀÚÀϸµ½ºÀÇ ·ÎÁ÷´ÜÀ§ÀÎ CLB´Â 4-ÀÎDz LUT¿Í Çø³ ÇÃ·Ó ±¸Á¶ÀÇ ±âº» ·ÎÁ÷ ¼¿ µÎ°³¸¦ 3-ÀÎDz LUT·Î ¿¬°áÇØ ºí·ÏÈÇÑ °ÍÀÌ´Ù. (±×¸² 4 ÂüÁ¶) µû¶ó¼ CLB Çϳª·Î 9°³ÀÇ ÀԷ½ÅÈ£¸¦ ó¸®ÇÒ ¼ö ÀÖ¾î ¿ë·®°ú ½ºÇǵå¸é¿¡¼ À¯¸®ÇÏ´Ù. ÇϳªÀÇ CLB°¡ Åë»ó 2.38°³ÀÇ LE·Î °è»êµÈ´Ù.

<±×¸² 4> XC4000 ½Ã¸®ÁîÀÇ CLB ±¸Á¶
¹öÅØ½º¿¡¼´Â CLB³»ÀÇ 3-ÀÎDz LUT¸¦ ¾ø¾Ö°í µÎ°³ÀÇ CLB¸¦ ºÙ¿© »ç¿ëÇÏ´Â ±¸Á¶¸¦ äÅÃÇß´Ù. (±×¸² 5 ÂüÁ¶) ´ë¿ë·® µð¹ÙÀ̽º·Î ¿Å°Ü°¡¸é¼ °¡´ÉÇÑ ¸¹Àº ·ÎÁ÷ ¼¿µéÀ» ºí·ÏÈÇØ¼ »ç¿ëÇÏ´Â °ÍÀÌ À¯¸®Çϱ⠶§¹®ÀÌ´Ù. CLB ³»ºÎÀÇ µô·¹ÀÌ Å¸ÀÓÀº °ÅÀÇ ¹®Á¦°¡ µÇÁö ¾Ê±â ¶§¹®¿¡ CLB ´ÜÀ§ ÀÚü¸¦ Ű¿ö³ª°¡´Â ¹æ½ÄÀ¸·Î °ÔÀÌÆ® »çÀÌÁ ³ôÀÎ °ÍÀÌ´Ù.

<±×¸² 5> 2-Slice Virtex CLB
ÇöÀç ¹öÅØ½º´Â ¾÷°è ÃÖ´ë ±Ô¸ðÀÎ ¹öÅØ½º-E µð¹ÙÀ̽º 2000E¸¦ °ø±ÞÇϰí ÀÖ´Ù.
ÀÌ Á¦Ç°Àº ·ÎÁ÷ ¼¿ÀÌ 57,132°³ (´ë·« 2¹é 60¸¸ °ÔÀÌÆ®) ¿¡ ´ÞÇÑ´Ù. Virtex-E Á¦Ç°Àº 30¸¸ °ÔÀÌÆ®ÀÇ XCV300E¸¦ ºñ·ÔÇØ 60¸¸ °ÔÀÌÆ®, 1¹é¸¸ °ÔÀÌÆ®, 2¹é¸¸ °ÔÀÌÆ®ÀÇ Á¦Ç°ÀÌ °ø±Þ °¡´ÉÇÏ´Ù. 320¸¸ °ÔÀÌÆ®ÀÇ XCV3200E Á¦Ç°Àº ¿Ã 2/4ºÐ±â¾È¿¡ °ø±ÞµÉ ¿¹Á¤ÀÌ´Ù.
º¸´Ù ºü¸£°í ´Ù¾çÇÑ ¶ó¿ìÆÃ ±â¼ú FastTrack°ú Segmented ¾ÆÅ°ÅØÃ³
¾ËÅ×¶ó¿Í ÀÚÀϸµ½º´Â ¼ö¹é¸¸ °ÔÀÌÆ® ·¹º§ÀÇ FPGA¸¦ °³¹ßÇÏ¸é¼ ´ë¿ë·® µð¹ÙÀ̽º ¼³°è¿¡¼ ¿ì·ÁµÇ´Â ¶ó¿ìÆÃ ¹æ½Ä°ú µô·¹ÀÌ Å¸ÀÓ, ±×¸®°í ÄÄÆÄÀÏ ¹®Á¦µî¿¡ ´ëÇØ »ó´çÈ÷ ¸¹Àº °í¹Î°ú ³ë·ÂÀ» ÅõÀÚÇÑ °ÍÀ¸·Î º¸ÀδÙ.
APEX¿Í ¹öÅØ½º¸¦ ºñ·ÔÇØ ÀÚÀϸµ½º¿Í ¾ËÅ×¶ó°¡ Ã¤ÅÃÇϰí ÀÖ´Â FPGA ¶ó¿ìÆÃ ¹æ½ÄÀº ±âº»ÀûÀ¸·Î FastTrackÀ̶ó´Â ·Õ ¶óÀÎ ±¸Á¶¿Í ÀÚÀϸµ½ºÀÇ Æ¯ÇãÀÎ ¼¼±×¸ÕÆ® ¾ÆÅ°ÅØÃ³ ±â¼úÀÌ Àû¿ëµÇ¾î ÀÖ´Ù.
ÀÚÀϸµ½ºÀÇ ¼¼±×¸ÕÆ® ¶ó¿ìÆÃ ¹æ½ÄÀº CLB ´ÜÀ§º°·Î ¶ó¿ìÆÃ ä³ÎÀ» ²÷¾î¼ »ç¿ëÇÒ ¼ö ÀÖ´Â ºÐÇÒ½Ä ±¸Á¶·Î ºí·Ïº° ¿¬°á¶óÀΰú ·Õ ¶óÀÎµî ¶ó¿ìÆÃ ä³ÎÀ» ´Ù¾çÇÏ°Ô È°¿ëÇÒ ¼ö ÀÖ´Â ÀåÁ¡À» °¡Áö°í ÀÖ´Ù.
±×·¯³ª °ÔÀÌÆ® »çÀÌÁî°¡ 10¸¸, 20¸¸°³°¡ ³Ñ´Â 4000½Ã¸®Áî°¡ Ãâ½ÃµÇ¸é¼ ´ë¿ë·® µð¹ÙÀ̽º¿¡¼´Â ÀÌ·¯ÇÑ ¶ó¿ìÆÃ ¹æ½ÄÀÌ ¿ÀÈ÷·Á ÄÄÆÄÀÏ ½Ã°£À» ´Ã¸®°í ¿¡·¯ °¡´É¼ºÀ» ³ôÀÌ´Â ¿ä¼Ò·Î ÀÛ¿ëÇÑ´Ù´Â ¹®Á¦Á¡ÀÌ ÁöÀûµÇ±âµµ Çß´Ù.
ÀÚÀϸµ½º´Â ¹öÅØ½º µð¹ÙÀ̽º¸¦ °³¹ßÇÏ¸é¼ ÀÌ·¯ÇÑ ¹®Á¦Çذῡ ÁÖ¸ñÇß´Ù. ±âÁ¸ÀÇ ¼¼±×¸ÕÆ® ¶ó¿ìÆÃ ¹æ½ÄÀÇ ÀåÁ¡À» À¯ÁöÇϸ鼵µ ÄÄÆÄÀÏ ½Ã°£À» ÁÙÀÏ ¼ö ÀÖ´Â »õ·Î¿î ¶ó¿ìÆÃ ¾ÆÀ̵ð¾î¸¦ Àû¿ëÇÑ °ÍÀÌ´Ù.
GRM (General Routing Matrix) À̶ó´Â ¶ó¿ìÆÃ¸¸ Àü´ãÇÏ´Â ½ºÀ§Äª ¸ÅÆ®¸¯½º¸¦ °¢ CLBÁß°£¿¡ ¼³Ä¡ CLB¿Í CLB°£ÀÇ Á÷Á¢ÀûÀÎ ¶ó¿ìÆÃÀ» ÇÏÁö ¾Ê°í Àü´ã ¸ÅÆ®¸¯½º¸¦ ÅëÇØ ¿¬°áÇϵµ·Ï ÇÏ¿´´Ù. (±×¸² 6 ÂüÁ¶)

<±×¸² 6> Virtex Local Routing
À̷νá CLB¿¡¼´Â ´ÜÁö GRMÀ¸·Î ½ÅÈ£¸¸ º¸³»ÁÖ¸é GRM¿¡¼ µ¶ÀÚÀûÀ¸·Î ¶ó¿ìÆÃ ¹®Á¦¸¦ ó¸®Çϱ⠶§¹®¿¡ ÀüüÀûÀÎ ½ºÇǵå Çâ»óÀº ¹°·Ð ÄÄÆÄÀÏ ½Ã°£À» Å©°Ô ÁÙÀÏ ¼ö ÀÖ°Ô µÈ °ÍÀÌ´Ù.
¶ÇÇÑ ±âÁ¸ 4000 ½Ã¸®Áî¿¡¼´Â CLB¸¦ 8°³±îÁö °Ç³Ê¼ ¶ó¿ìÆÃÀ» ÇÒ ¼ö ÀÖ¾ú´Âµ¥ ¹öÅØ½º µð¹ÙÀ̽º¿¡¼´Â 16°³ÀÇ CLB¸¦ °Ç³Ê ¿¬°áÇÏ´Â °ÍÀÌ °¡´ÉÇØÁ® ¶ó¿ìÆÃ ä³Î Ȱ¿ëÀÌ ´õ¿í ´Ù¾çÇØÁ³´Ù.
¾ËÅ×¶ó FPGA´Â ÀüÅëÀûÀ¸·Î FastTrackÀ̶ó ºÎ¸£´Â ¶ó¿ìÆÃ ä³ÎÀ» »ç¿ëÇÑ´Ù. ÀÚÀϸµ½º°¡ CLB ´ÜÀ§º° ºí·Ïº° ¶ó¿ìÆÃ ¶óÀÎÀ» °®°í ÀÖ´Â °Í°ú´Â ´Þ¸® FastTrackÀº ´ÜÀÏ ·Õ ¶óÀÎÀ» µÎ¾î ¸ðµç LABÀÇ ½ÅÈ£¿¬°áÀ» °üÀåÇÑ´Ù. (±×¸² 7 ÂüÁ¶)

<±×¸² 7> APEX 20K ºí·Ï ´ÙÀ̾î±×·¥
LE°£ÀÇ ¿¬°áÀº ³»ºÎÀÇ Ä³½ºÄ³À̵å üÀÎ (Cascade Chain) À» ÅëÇØ °ð¹Ù·Î ¿¬°áÇϵµ·Ï µÇ¾î Àִµ¥ ¹Ù±ùÂÊÀÇ ÀÎÅÍÄ¿³Ø¼Ç ¶óÀÎÀ» º°µµ·Î °ÅÄ¡Áö ¾Ê¾Æµµ µÇ±â ¶§¹®¿¡ µô·¹À̸¦ ÁÙÀÏ ¼ö ÀÖ´Ù. LAB¿Í LAB°£ÀÇ ¶ó¿ìÆÃÀº °¢ Çà°ú ¿¸¶´Ù ¼³Ä¡µÇ¾î ÀÖ´Â FastTrackÀ̶ó´Â ´ÜÀÏ ¶óÀÎÀ¸·Î 󸮵ȴÙ. Row, Column Interconnect¶óÀÎÀÌ °¢ LAB, ±×¸®°í APEX¿¡¼´Â MegaLAB»çÀÌ¿¡ ¹èÄ¡µÇ¾î ÀÖ´Ù. (±×¸² 8 ÂüÁ¶)

<±×¸² 8> FastTrack Connection
ÀÌ·¯ÇÑ ±¸Á¶´Â ´ÜÀÏÇÑ ÀÏÁ¤¶óÀÎÀ¸·Î ¸ðµç ¶ó¿ìÆÃÀ» ó¸®Çϱ⠶§¹®¿¡ µô·¹À̰¡ µ¿ÀÏÇÏ°Ô À¯ÁöµÇ¾î ŸÀÌ¹Ö ¿¹ÃøÀÌ °¡´ÉÇÏ´Ù´Â ÀåÁ¡ÀÌ ÀÖ´Ù. ƯÈ÷ ÄÄÆÄÀϽà ¸Å¿ì À¯¸®ÇÏ´Ù. ¶ó¿ìÆÃ ä³ÎÀÌ Á÷¼±¶óÀÎÀ¸·Î µÇ¾î Àֱ⠶§¹®¿¡ ½Åȣ󸮰¡ ºü¸£°í º¯¼öÀÇ °¡´É¼ºµµ Àû¾î ¿¡·¯¹ß»ý·üÀÌ »ó´ëÀûÀ¸·Î ¶³¾îÁö±â ¶§¹®ÀÌ´Ù. ´Ù¸¸ ±ÙÁ¢µÈ LAB°£ÀÇ ¿¬°áµµ ¸ðµÎ ÀÌ ·Õ ¶óÀÎÀ¸·Î 󸮵Ǿî¾ß Çϱ⠶§¹®¿¡ °¡¿ë¼º¸é¿¡¼´Â »ó´ëÀûÀ¸·Î ºÒ¸®ÇÑ ¸éµµ ÀÖ¾ú´Ù.
¾ËÅ×¶ó´Â APEX µð¹ÙÀ̽º¸¦ Ãâ½ÃÇÏ¸é¼ MegaLAB ÀÎÅÍÄ¿³Ø¼ÇÀ» Ãß°¡Çß´Ù. LAB 16°³¸¦ ´ã°í ÀÖ´Â MegaLABÀÇ ÀÎÅÍÄ¿³Ø¼ÇÀ» ³»ºÎ¿¡¼ °ð¹Ù·Î ó¸®ÇÒ ¼ö ÀÖµµ·Ï ÇÔÀ¸·Î½á ¿ÜºÎ ¶óÀÎÀ» °ÅÄ¡Áö ¾Êµµ·Ï Çß´Ù. ´ë¿ë·® µð¹ÙÀ̽º¿¡¼ ¿ì·ÁµÇ´Â ÄÄÆÄÀÏ Å¸ÀÓÀ» ÁÙÀ̱â À§ÇÑ Á¶Ä¡¿´´Ù.
¾ËÅ×¶ó°¡ ¹ßÇ¥ÇÑ ÀÚ·á¿¡ µû¸£¸é APEXÀÇ ¼ÒÇÁÆ®¿þ¾î ¼Ö·ç¼ÇÀÎ ÄõÅͽºÀÇ 2000.02 ¹öÀüÀÌ Ãâ½ÃµÇ¸é¼ ÄÄÆÄÀÏ ½Ã°£ÀÌ ¿ÀÈ÷·Á ÀÌÀü 10K Á¦Ç°º¸´Ù 40% °¡±îÀÌ Çâ»óµÈ °ÍÀ¸·Î ¾Ë·ÁÁ³´Ù.
´ë¿ë·® ¸Þ¸ð¸® ±¸Çö¿¡ ¿ëÀÌÇÑ BlockRAM°ú ESB ºí·Ï
´ë¿ë·® µð¹ÙÀ̽º¿¡¼ ¿ä±¸µÇ´Â Áß¿äÇÑ ¿ä¼ÒÁßÀÇ Çϳª°¡ ¸Þ¸ð¸®´Ù. ÀÚÀϸµ½ºÀÇ SelectRAM°ú ¾ËÅ×¶ó°¡ Flex 10K¿¡¼ Àû¿ëÇÑ EAB (Embedded Array Block) µîÀÌ ½ÃÀå¿¡¼ ÁÁÀº ¹ÝÀÀÀ» ¾ò¾ú´ø °Íµµ ÀÌ·¯ÇÑ ¸Þ¸ð¸® ¿ë·®¿¡ ´ëÇÑ ¿ä±¸¿¡¼ ºñ·ÔµÈ °ÍÀÌ´Ù. ¾ËÅ×¶ó¿Í ÀÚÀϸµ½º´Â APEX¿Í Virtex¿¡¼ ´õ¿í Áøº¸µÈ ¸Þ¸ð¸® ¼Ö·ç¼ÇÀ» Á¦°øÇϰí ÀÖ´Ù.
¾ËÅ×¶ó´Â Flex10K ½Ã¸®Áî¿¡¼ 2KbitÀÇ RAMÀ» Áö¿øÇÏ´Â º°µµÀÇ EAB ºí·ÏÀ» LAB »çÀÌ »çÀÌ¿¡ ¼³Ä¡ÇÔÀ¸·Î½á ¸Þ¸ð¸® ¿ë·®À» ³ô¿©°¬´Ù. ÀÌÈÄ Ãâ½ÃµÈ 10KEÀÇ EAB´Â °¢°¢ 4KbitÀÇ ¸Þ¸ð¸®¸¦ Áö¿øÇÑ´Ù. APEX¸¦ Ãâ½ÃÇÏ¸é¼ ¾ËÅ×¶ó´Â °¢ MegaLAB ³»ºÎ¿¡ ESB (Embedded System Block) ¶ó´Â º¸´Ù Áøº¸µÈ ÇüÅÂÀÇ ¸Þ¸ð¸® ºí·ÏÀ» ±¸ÇöÇß´Ù.
ESB´Â 2KbitÀÇ ¸Þ¸ð¸® À̿ܿ¡µµ 16¸ÅÅ©·Î¼¿ ¿ë·®ÀÇ CPLDºí·ÏÀ» ±¸Çö, Á¶ÇÕȸ·Î (Combinatorial Logic) ÇüÅÂÀÇ PLD¸¦ ¼³°èÇÒ ¼ö ÀÖµµ·Ï Çß´Ù. Áï, CPLD ¾ÆÅ°ÅØÃ³¿¡¼ ±¸ÇöÀÌ ¿ëÀÌÇÑ High Speed ±â´ÉÀ» ESB ºí·Ï³»¿¡¼ ó¸®ÇÒ ¼ö ÀÖµµ·Ï ÇÔÀ¸·Î½á º°µµÀÇ CPLD µð¹ÙÀ̽º¸¦ »ç¿ëÇÏÁö ¾Ê¾Æµµ ÀÌ·¯ÇÑ ¿ä±¸¸¦ ¼ö¿ëÇÒ ¼ö ÀÖ°Ô ÇÑ °ÍÀÌ´Ù.
ÇöÀç ¾ËÅ×¶ó´Â APEX¿Í 1.8V Á¦Ç°±ºÀÎ APEX-E µð¹ÙÀ̽º¿¡¼ ÃÖ´ë 304KbitÀÇ ¸Þ¸ð¸®¸¦ Áö¿øÇϰí ÀÖÀ¸¸ç, 3¿ùÁß¿¡ ¹ßÇ¥µÉ ¿¹Á¤ÀÎ APEX1000E´Â ÃÖ´ë 340KbitÀÇ RAMÀ» °¡Áö°í ÀÖ´Ù. 1000E´Â 652ÇÉ BGAÆÐŰÁö·Î 38,400°³ÀÇ LE (´ë·« 2¹é¸¸ °ÔÀÌÆ®)¸¦ ±¸ÇöÇß´Ù. (Ç¥ 2 ÂüÁ¶)
|
Feature
|
EP20K100E EP20K100
|
EP20K160E
|
EP20K200E EP20K200
|
EP20K300E
|
EP20K400E EP20K400
|
EP20K600E
|
EP20K1000E
|
|
Maximum System Gates
|
263,000
|
404,000
|
526,000
|
728,000
|
1,052,000
|
1,537,000
|
2,670,000
|
|
Typical Gates
|
106,000
|
163,000
|
211,000
|
293,000
|
423,000
|
618,000
|
1,073,000
|
|
LEs
|
4,160
|
6,400
|
8,320
|
11,520
|
16,640
|
24,320
|
42,240
|
|
ESBs
|
26
|
40
|
52
|
72
|
104
|
152
|
264
|
|
Maximum RAM Bits
|
53,248
|
81,920
|
106,496
|
147,456
|
212,992
|
311,296
|
540,672
|
|
Maximum Macrocells
|
416
|
640
|
832
|
1,152
|
1,664
|
2,432
|
4,224
|
|
Maximum User I/O Pins
|
252
|
320
|
382
|
420
|
502
|
620
|
780
|
<Ç¥ 2> APEX 20K µð¹ÙÀ̽ºÀÇ Æ¯Â¡
ÀÚÀϸµ½º´Â ±âÁ¸ XC4000 ½Ã¸®Áî±îÁö´Â LUT¸¦ 16bit µà¾ó Æ÷Æ® RAMÀ¸·Î Ȱ¿ëÇÒ ¼ö ÀÖµµ·Ï ÇÑ SelectRAM ±â¼úÀ» ÅëÇØ ¸Þ¸ð¸® ¹®Á¦¸¦ ÇØ°áÇß´Ù. ºñ¾î ÀÖ´Â LUT¸¦ ¸Þ¸ð¸®·Î ´ëÃ¼ÇØ »ç¿ëÇÒ ¼ö Àֱ⠶§¹®¿¡ ¸Þ¸ð¸® ¿ë·®À» ¼³°èÀÚ°¡ ´Ù¾çÇÏ°Ô Á¶Á¤ÇÒ ¼ö ÀÖ´Â ÀåÁ¡ÀÌ ÀÖ´Ù. SelectRAMÀº ÀÚÀϸµ½ºÀÇ Æ¯Çã±â¼úÀ̱⵵ ÇÏ´Ù.
¹öÅØ½º Ãâ½Ã¿Í ÇÔ²² ÀÚÀϸµ½º´Â BlockSelectRAM+¶ó´Â »õ·Î¿î ¸Þ¸ð¸® ºí·ÏÀ» Àû¿ëÇß´Ù. ±âÁ¸ SelectRAM°ú ÇÔ²² °¢°¢ÀÇ ºí·Ï ´ç 4KbitÀÇ RAMÀ» Áö¿øÇÏ´Â BlcokRAMÀ» ·ÎÁ÷ ¹Ù±ùÂÊ ¾ç¿·¿¡ ¼³Ä¡ÇÔÀ¸·Î½á ¸Þ¸ð¸® ¿ë·®À» Ãß°¡Çß´Ù. (±×¸² 9, ±×¸² 10 ÂüÁ¶)

<±×¸² 9> Virtex ¾ÆÅ°ÅØÃ³

<±×¸² 10> Virtex-E ¾ÆÅ°ÅØÃ³
¹öÅØ½º¿¡¼´Â ¾ç¿·¿¡ 2°³ÀÇ Ä÷³À¸·Î Á¦°øµÇ¾ú´ø BlockRAMÀº 1.8V ¹öÀüÀÎ ¹öÅØ½º-E ¿¡¼´Â 8°³ Ä÷³À¸·Î ´Ã·È´Ù. 2600-E µð¹ÙÀ̽º¿¡¼´Â 736KbitÀÇ RAMÀÌ Á¦°øµÇ°í ÀÖÀ¸¸ç, ¿ÃÇØ¾È¿¡ Ãâ½ÃµÉ ¿¹Á¤ÀÎ 320¸¸ °ÔÀÌÆ®ÀÇ 3200E´Â 832KbitÀÇ ¸Þ¸ð¸®¸¦ Áö¿øÇÒ ¿¹Á¤ÀÌ´Ù. (Ç¥ 3 ÂüÁ¶)
|
Device
|
Logic Cells
|
Dual-Port Block Memory (Kbits)
|
Maximum Usable I/O
|
I/O Bandwidth (Gbits/sec)
|
|
XCV50E
|
1,728
|
56
|
176
|
44
|
|
XCV100E
|
2,700
|
80
|
176
|
44
|
|
XCV200E
|
5,292
|
112
|
284
|
71
|
|
XCV300E
|
6,912
|
128
|
316
|
79
|
|
XCV400E
|
10,800
|
160
|
404
|
100
|
|
XCV600E
|
15,552
|
288
|
512
|
127
|
|
XCV1000E
|
27,648
|
384
|
660
|
164
|
|
XCV1600E
|
34,992
|
576
|
724
|
180
|
|
XCV2000E
|
43,200
|
640
|
804
|
200
|
|
XCV2600E
|
57,132
|
736
|
804
|
200
|
|
XCV3200E
|
73,008
|
832
|
804
|
200
|
<Ç¥ 3> Virtex-E µð¹ÙÀ̽ºÀÇ Æ¯Â¡
±¹³» PLD ½ÃÀå µðÁöÅа¡Àü, À̵¿Åë½Å µî ¼ö¿äÈ®´ë
Áö³ 86³â ±¹³»½ÃÀå¿¡ óÀ½À¸·Î ¼Ò°³µÇ¾ú´ø PLD´Â À̵¿Åë½Å ½ÃÀåÀÌ º»°ÝȵDZ⠽ÃÀÛÇÑ 93³â ÀÌÈÄ ¿¬Æò±Õ 30% ÀÌ»óÀÇ ±Þ¼ÓÇÑ ¼ºÀå¼¼¸¦ ±â·ÏÇϸç, ¹ÝµµÃ¼ ½ÃÀåÀÇ Áß½ÉÃàÀ¸·Î ¶°¿Ã¶ú´Ù.
ÃÖ±Ù¿¡´Â °¡°Ý, ¼º´É, ¿ë·®µî ´Ù¾çÇÑ PLD Á¦Ç°±ºµéÀÌ ´ë°Å ½ÃÀå¿¡ ¼Ò°³µÇ¸é¼ ¾îÇø®ÄÉÀÌ¼Ç ºÐ¾ßµµ Å©°Ô È®´ëµÇ°í Àִµ¥´Ù Time-to Market¿¡ À¯¸®ÇÑ PLD°íÀ¯ÀÇ Æ¯¼ºÀ¸·Î ÀÎÇØ ASIC½ÃÀåÀÇ ¼ºÀå·üÀ» ¼±È¸Çϸç, ¼ö¿ä°¡ ±Þ½ÅÀåÇÏ´Â Ãß¼¼¿¡ ÀÖ´Ù.
±¹³» ½ÃÀå¿¡¼µµ À̵¿Åë½Å ºÐ¾ßÀÇ ±âÁö±¹µîÀ» ºñ·ÔÇØ Àü¼ÛÀåºñ, ¸ÖƼ¹Ìµð¾î, µðÁöÅÐ °¡Àüµî ±× Àû¿ëºÐ¾ß°¡ ³¯·Î È®´ëµÇ°í ÀÖ´Ù. ƯÈ÷ ÀÎÅͳÝÀ» ºñ·ÔÇÑ ´Ù¾çÇÑ Åë½Å¼ºñ½º ¼ö¿ä Áõ°¡·Î µ¥ÀÌÅÍ Àü¼ÛÀåºñ ºÐ¾ß¿¡¼ÀÇ Ãß°¡ ¼ö¿äâÃâÀÌ ¿¹»óµÇ¸ç, Â÷¼¼´ë À̵¿Åë½Å ¼ºñ½º·Î ÁÖ¸ñ¹Þ°í ÀÖ´Â IMT-2000½ÃÀå¿¡¼µµ PLDÀÇ È°¾àÀÌ ±â´ëµÇ°í ÀÖ´Ù.
±¹³» PLD½ÃÀåÀº IMF·Î ÃÖ¾ÇÀÇ ºÒȲ±â¸¦ ±â·ÏÇß´ø Áö³ 98³â, 3õ 5¹é¸¸ ´Þ·¯¶ó´Â ÃÖÀú ¸ÅÃâ¾×ÀÇ °íºñ¸¦ ³Ñ¾î¼ Áö³ÇØ¿¡´Â ¾à 6õ 5¹é¸¸ ´Þ·¯¸¦ ±â·ÏÇϸç, ºü¸£°Ô ȸº¹¼¼¸¦ Ÿ°í ÀÖ´Ù. ƯÈ÷ ¿ÃÇØ¿¡´Â ±¹³» À̵¿Åë½Å ½ÃÀåÀ» ºñ·ÔÇÑ °æÁ¦ Àü¹Ý¿¡¼ ȰȲÀÌ Áö¼ÓµÉ °ÍÀ¸·Î ¿¹»óµÇ°í Àִµ¥´Ù PLD½ÃÀåÀÇ ¼ö¿äóµµ ¾ÈÁ¤ÀûÀ¸·Î È®´ëµÇ°í ÀÖ¾î Áö³ 97³â ¼öÁØÀÎ 8õ¸¸ ´Þ·¯´ë¸¦ ±â·ÏÇÒ °ÍÀ¸·Î Àü¸ÁµÇ°í ÀÖ´Ù.
Ä÷³±â»ç: PLD ÆÄ¿öÀ¯Àú
¼ÒÇÁÆ®¿þ¾î ¾ÈÁ¤È ¹× IP È®º¸°¡ ½Ã±Þ
»ï¼ºÀüÀÚ Á¤º¸Åë½Å¿¬±¸¼Ò ±è¹Î±¸ ¼±ÀÓ¿¬±¸¿ø
PLD Á¦Ç°±ºÀÌ ´Ù¾çÇØÁö¸é¼ PLD¸¦ Ȱ¿ëÇÑ °³¹ß»ç·Ê°¡ °¥¼ö·Ï Áõ°¡Çϰí ÀÖ´Ù. »ï¼ºÀüÀÚ Á¤º¸Åë½Å¿¬±¸¼ÒÀÇ ±è¹Î±¸ ¼±ÀÓ¿¬±¸¿øÀº À̵¿Åë½Å ´Ü¸»±â ºÐ¾ß¿¡¼¸¸ 5³â ÀÌ»ó Ȱµ¿Çؿ ¿£Áö´Ï¾î·Î PLD ºÐ¾ß¿¡ À־µ ÆÄ¿öÀ¯Àú·Î ¼ÓÇÑ´Ù.
96³â °³¹ßÇÑ IS-95 ´Ü¸»¿ë ¸ðµ©¿¡´Â ¾ËÅ×¶ó Flex10K 5¸¸ °ÔÀÌÆ® Á¦Ç°À» »ç¿ëÇß°í IMT-2000 ´Ü¸»±â¿ë ¸ðµ© °³¹ß ¶§¿¡´Â 10K 10¸¸ °ÔÀÌÆ® Á¦Ç°À» Ȱ¿ëÇß´Ù. ÃÖ±Ù »ï¼ºÀÌ ±¹³» ÃÖÃÊ·Î °³¹ßÇÑ 3G À̵¿Åë½Å ´Ü¸»±â¸¦ À§ÇÑ Ã¤³Î µðÄÚ´õ (Channel Decoder)ÀÎ 'Åͺ¸ µðÄÚ´õ (Turbo Decoder)'´Â ¾ËÅ×¶óÀÇ ¹é¸¸ °ÔÀÌÆ®±Þ Á¦Ç°±ºÀÎ APEX20K100 µð¹ÙÀ̽º·Î µðÀÚÀεƴÙ.
±è¹Î±¸ ¼±ÀÓ ¿¬±¸¿øÀº "Åͺ¸ µðÄÚ´õÀÇ °æ¿ì ÁÖº¯ ¸ðµâ±îÁö ´ÜÀÏ Ä¨À¸·Î ±¸ÇöÇϱâ À§ÇØ °ÔÀÌÆ® »çÀÌÁî°¡ Å« APEX µð¹ÙÀ̽º¸¦ ¼±ÅÃÇß´Ù."°í ¸»Çϰí "ƯÈ÷ µðÀÚÀλ󿡼 °¡Àå Å« À̽´°¡ µÇ°í Àִ ŸÀÌ¹Ö ¸¶Áø ¹®Á¦¿¡ ÀÖ¾î¼ ¸¸Á·ÇÒ¸¸ÇÑ °á°ú¸¦ ¾ò¾ú´Ù."°í ¹àÇû´Ù.
±è¼±ÀÓÀº "´ÙÀ½ ÇÁ·ÎÁ§Æ®¿¡¼´Â 1¹é¸¸ °ÔÀÌÆ® ¿ë·®ÀÇ FPGA¸¦ »ç¿ëÇÒ °èȹ"À̶ó¸ç, "½Ã½ºÅÛ ·¹º§À» ¿øÄ¨ÈÇÏ´Â ´ë¿ë·® ¼³°è¿¡ À־ PLD ¼º´ÉÀÇ ¾ÈÁ¤È¸¦ ºñ·ÔÇØ ¼ÒÇÁÆ®¿þ¾î, ±×¸®°í IP µîÀÇ »ï¹ÚÀÚ°¡ ¿Ïº®ÇÏ°Ô ¸Â¾Æ¾ß¸¸ °¡´ÉÇÏ´Ù."°í ÁöÀûÇß´Ù.
ƯÈ÷ "IPÀÇ °æ¿ì DB³ª ¼º´É, °¡°Ý µî¿¡¼ °ËÁõµÈ ³»¿ëÀÌ ºÎÁ·Çϱ⠶§¹®¿¡ ½Ã½ºÅÛ ·¹º§ ¼³°è¿¡ ÀÖ¾î °É¸²µ¹·Î ÀÛ¿ëÇÑ´Ù."°í ¸»Çϰí "ÀÌ·¯ÇÑ Á¦¹Ý ¿©°ÇÀÌ ÃæºÐÈ÷ Á¶¼ºµÇÁö ¾Ê´Â´Ù¸é ´Ù¾çÇÑ °èÃþ¿¡¼ »ç¿ëÀÚ¸¦ È®º¸Çϱâ¶õ ¾î·Á¿ï °Í"À̶ó°í µ¡ºÙ¿´´Ù.
»ï¼º°ú °°Àº ´ë±â¾÷ ¿¬±¸¼ÒÀÇ °æ¿ì ´Ù¾çÇÑ °³¹ß °æÇèÀ» Åä´ë·Î ÀÚü IP¸¦ È®º¸Çϰí ÀÖ´Ù. ±×·¯³ª ´ëºÎºÐÀÇ Áß¼Ò±Ô¸ðÀÇ ¿¬±¸¼ÒµéÀº ÀÌ·¯ÇÑ ÀÚü IP È®º¸µµ ¾î·Á¿ï »Ó¸¸ ¾Æ´Ï¶ó ½Å·ÚÇÒ ¸¸ÇÑ IP DB³ª °ËÁõµÈ Á¤º¸¸¦ ¾ò±â¶õ ¹«Ã´ ¾î·Á¿î °ÍÀÌ »ç½ÇÀÌ´Ù.
±è¹Î±¸ ¼±ÀÓ¿¬±¸¿øÀº "½Ã½ºÅÛ ·¹º§ µðÀÚÀÎÀ» ´ÜÀÏ Ä¨À¸·Î ±¸ÇöÇÑ´Ù´Â °ÍÀº º¸µå »çÀÌÁî °¨¼Ò¸¦ ºñ·ÔÇØ °¡°ÝÀý°¨ ¹× ¼º´ÉÇâ»ó µî ¿©·¯ ¸é¿¡¼ À̵æ"À̶ó°í ¸»Çϰí "ÀÌ·¯ÇÑ ¼³°è °æÇâÀÇ È®´ë¸¦ À§ÇÑ Á¦¹ÝÀÇ ¿©°Ç¸¶·ÃÀÌ ´õ¿í °¡¼ÓȵǾî¾ß ÇÒ °Í"À̶ó°í ¸»Çß´Ù.
½Ã½ºÅÛ ·¹º§ µðÀÚÀÎ, ¼³°è´É·ÂÀÌ °ü°Ç
»ï¼ºÀüÀÚ Á¤º¸Åë½Å ¿¬±¸¼Ò À̱¤¿í ¼±ÀÓ¿¬±¸¿ø
±¹³» ÃÖÃÊÀÇ CDMA °³¹ßÆÀÀ̶ó´Â ¸í¿¹¿Í ÇÔ²² ÇöÀç »ï¼ºÀüÀÚ Á¤º¸Åë½Å¿¬±¸¼Ò¿¡¼ À̵¿Åë½Å ÀÎÇÁ¶ó ½Ã½ºÅÛ °³¹ßÀ» ´ã´çÇϰí ÀÖ´Â À̱¤¿í ¼±ÀÓ¿¬±¸¿ø. Áö³ 8³âµ¿¾È AMPS¿¡¼ IMT-2000 ½Ã½ºÅÛ¿¡ À̸£±â±îÁö CDMA ºÐ¾ßÀÇ Àü¹® ¿£Áö´Ï¾î·Î Ȱ¾àÇÏ¸é¼ ¾î´À ´©±¸º¸´Ù °·ÂÇÑ PLD À¯Àú·Î ÀÚ¸®Çϰí ÀÖ´Ù.
À̱¤¿í ¼±ÀÓ ¿¬±¸¿øÀº "PLD´Â ASIC°ú´Â ´Þ¸® °³¹ß Áß°£Áß°£¿¡ °á°ú¿¡ ´ëÇÑ Ã¼Å©°¡ °¡´ÉÇÏ°í °³¹ßÀÌ ¿Ï·áµÈ ÀÌÈÄ¿¡µµ ¼öÁ¤À̳ª º¸¿ÏÀÛ¾÷À» ¼Õ½±°Ô ó¸®ÇÒ ¼ö ÀÖ¾î ½ÃÁ¦Ç° °³¹ßÀڵ鿡°Ô´Â ¸Å¿ì À¯¸®ÇÑ ¼Ö·ç¼Ç"À̶ó°í ¸»Çϰí "Áö³ÇØ¿¡´Â ƯÈ÷ ÀÚÀϸµ½º°¡ ¼ö¹é¸¸ °ÔÀÌÆ® »çÀÌÁ Áö¿øÇÏ´Â ¹öÅØ½º µð¹ÙÀ̽º¸¦ Ãâ½ÃÇÔÀ¸·Î½á ½Ã½ºÅÛ ·¹º§ÀÇ ±â´ÉÀ» FPGA·Î ¿øÄ¨ÈÇÒ ¼ö ÀÖ´Â ±æÀ» ¿¾ú´Ù."¸ç, À̸¦ ȯ¿µÇß´Ù.
À̼±ÀÓÀº "½Ã½ºÅÛ ¿Â ¾î ÇÁ·Î±×·¡¸Óºí Ĩ (System-on-a-Programmable-Chip)Àº ±Ã±ØÀûÀ¸·Î °¡¾ß ÇÒ ¹æÇâÀÌÁö¸¸ ÇöÀç·Î¼´Â ÇÏÀÌ ¿£µå À¯Àú°¡ ¾Æ´Ï¸é »ç¿ëÇÏ±â ¾î·Æ´Ù."°í ¸»Çϰí "IP µîÀ» ºñ·ÔÇØ ¼ÒÇÁÆ®¿þ¾îµéÀÌ ±â¼úÀûÀ¸·Î ÃæºÐÈ÷ µÞ¹Þħ µÇ¾î¾ß Çϴµ¥ ¾ÆÁ÷±îÁö´Â ºÒ¾ÈÁ¤ÇÑ ºÎºÐÀÌ ¸¹´Ù."°í ÁöÀûÇß´Ù.
ÇöÀç ¹öÅØ½º¿Í °°Àº ½Ã½ºÅÛ ·¹º§ÀÇ ¼³°è°¡ °¡´ÉÇÑ ¼ö¹é¸¸ °ÔÀÌÆ® ±ÞÀÇ FPGA´Â ÀÎÅÍÆäÀ̽º¸¦ ºñ·ÔÇØ ´Ù¾çÇÑ ÁÖº¯±â´É±îÁö ¸ðµÎ Æ÷°ýÇϰí ÀÖ¾î ÀÌ·ÐÀûÀ¸·Î´Â µð¹ÙÀ̽º Çϳª·Î º¸µå Àüü¸¦ ´ëüÇÒ ¼öµµ ÀÖ´Ù.
À̼±ÀÓÀº "±×·¯³ª PLD¿¡ ´ëÇÑ Á¤È®ÇÑ ¾ÆÅ°ÅØÃ³¸¦ ÀÌÇØÇÏ°í ±â´ÉÀ̳ª ¼º´É±¸Çö¿¡ ÇÊ¿äÇÑ ¸ðµç ¹®Á¦¿¡ ´ëÇØ ÃæºÐÈ÷ ´ëóÇÒ ¼ö ÀÖ´Â ´É·ÂÀÌ ¼±ÇàµÇ¾î¾ß¸¸ ÀÌ·¯ÇÑ ¼³°è°¡ °¡´ÉÇÏ´Ù."°í µ¡ºÙ¿´´Ù.
À̼±ÀÓÀº Áö³ÇØ IMT-2000 ±âÁö±¹ÀÇ »ó¿ëÁ¦Ç° °³¹ßÀ» À§ÇØ ¹öÅØ½º Á¦Ç°À» »ç¿ëÇß´Ù°í ¹àÇû´Ù. ±×´Â "·ÎÁ÷À» 90%±îÁö »ç¿ëÇߴµ¥ ½ºÇǵå¸é¿¡¼³ª DLLÀ» ºñ·ÔÇÑ »õ·Î¿î ±â´Éµé¿¡¼µµ ¸¸Á·½º·¯¿î °á°ú¸¦ ¾ò¾ú´Ù."°í ¸»Çϰí "¿ÃÇØ¿¡´Â ¾ËÅ×¶ó¿¡¼µµ APEX ½ÅÁ¦Ç°À» ³»³õ´Â µî ´ë¿ë·® ½ÃÀåÀ¸·ÎÀÇ À̵¿ÀÌ ºü¸£°Ô ÁøÇàµÉ °Í"À̶ó°í Àü¸ÁÇß´Ù.
ÀÌ¿ÍÇÔ²² "½Ã½ºÅÛ ¿Â ¾î ÇÁ·Î±×·¡¸Óºí Ĩ ½ÃÀåÀÌ º»°ÝȵDZâ À§±â À§Çؼ´Â ¾ÈÁ¤µÈ ¼ÒÇÁÆ®¿þ¾îÀÇ °ø±Þ°ú IP ½ÃÀåÀÇ ÀϹÝȰ¡ ½Ã±ÞÈ÷ ¼±ÇàµÇ¾î¾ß ÇÒ °Í"À̶ó°í µ¡ºÙ¿´´Ù.
|
|